首页
关于我们
公司简介
发展之路
资质证书
品质保证
完美体育(中国)官方网站
船用发电机
电站发电机
新闻中心
公司动态
客户与合作伙伴
服务中心
服务
识别真伪
防伪查询
下载中心
完美体育(中国)官方网站
全部
船用发电机
电站发电机
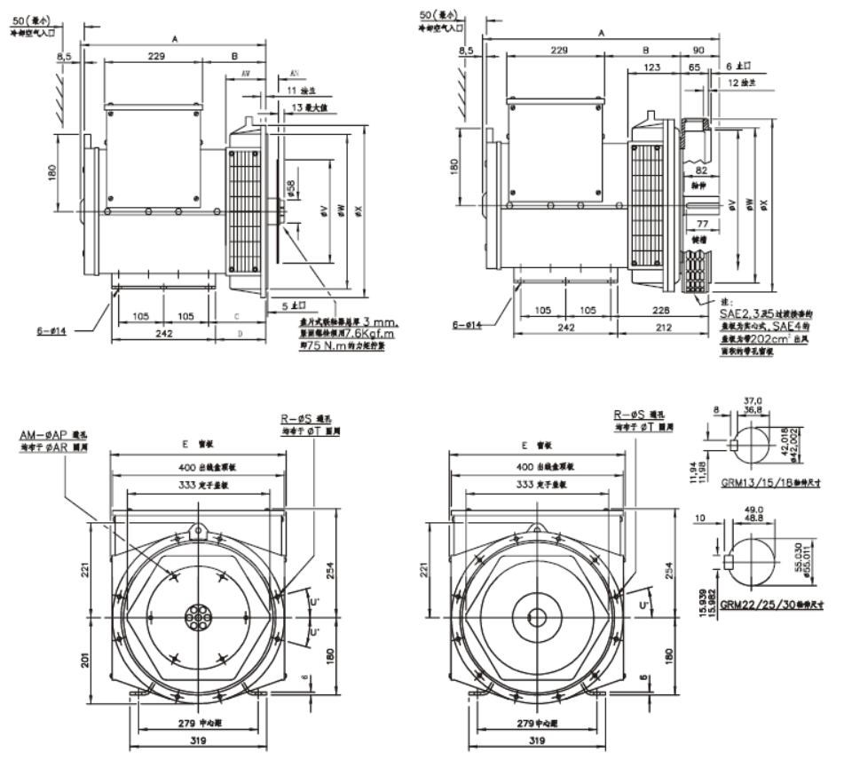
GR-M L18 4P三相无刷交流同步船用发电机
特性:
●自动电压调节控制器SX460,提供持续的短路电流能力
●2/3的绕组节距抑制过多的中线电流
●单支点或双支点结构易于安装和维护
●采用标准的免维护密封轴承
●标准防护IP23防护等级
选型或附件:
●绕组温度和轴承温度检测RTD
●绕组温升保护热敏电阻PT100
●MX321带三相检测提供0.5%的电压调整率
●防冷凝加热器
●
手动电压调节电位器
在线咨询
在线咨询
产品名称
*
:
电子邮箱
*
:
联系人 :
电话 :
咨询内容 :
提交
重置
产品详情
上一页:没有了
下一页:
工业制砂设备配件
热门推荐
GR-M L45 4P三相无刷交流同步船用发电机
GR-M L40 4P三相无刷交流同步船用发电机
GR-M L35 4P三相无刷交流同步船用发电机
GR-M L31 4P三相无刷交流同步船用发电机
GR-M L27 4P三相无刷交流同步船用发电机
首页
电话
短信
联系
安博站·官方版网站登录入口
|
FH最新官方
|
乐投在线官网平台
|
米兰(中国)体育官方网站
|
广发
|
米兰(中国)体育官方网站
|
球友会网页版
|
MK在线登录官网
|
天行官方(中国)总部
|