首页
关于我们
公司简介
发展之路
资质证书
品质保证
完美体育(中国)官方网站
船用发电机
电站发电机
新闻中心
公司动态
客户与合作伙伴
服务中心
服务
识别真伪
防伪查询
下载中心
完美体育(中国)官方网站
全部
船用发电机
电站发电机
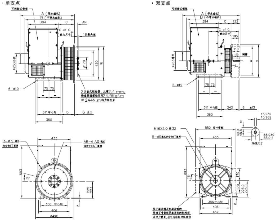
GR225 三相陆用发电机
特点:
●符合国际优质的发电机标准要求.
●自励控制或可选的永磁发电机提供持续的短路电流能力
●H级绝缘满足恶劣的环境要求
●2/3的绕组节距抑制过多的中线电流
●12个定子出线端可以重接
●单支点或双支点结构
●易于安装和维护
●标准IP22防护等级
选项或附件
●绕组温度传感器RTD
●轴承温度传感器RTD
●绕组高温保护热敏电阻和继电器.
●可选的永磁发电机提供独立的励磁系统电源
●可选MX341或MX321AVR,可选的三相感应检测模
●
块使AS440AVR满足土0.5%的电压调整率
●
防冷凝加热器
●空气过滤器
●并联运行下垂互感器
●抗无线电干扰抑制器
●功率因素控制器PFC3
●选配
IP23防护等级
在线咨询
在线咨询
产品名称
*
:
电子邮箱
*
:
联系人 :
电话 :
咨询内容 :
提交
重置
产品详情
注:所有陆用额定值是基于海拔1000米内,环境温度为40°C。
其它电压范围的发电机要根据用户需要设计制造。
上一页:没有了
下一页:
工业制砂设备配件
热门推荐
GR450GHJ 三相陆用发电机
GR450EF 三相陆用发电机
GR400 三相陆用发电机
GR355 三相陆用发电机
GR314 三相陆用发电机
首页
电话
短信
联系
安博站·官方版网站登录入口
|
FH最新官方
|
乐投在线官网平台
|
米兰(中国)体育官方网站
|
广发
|
米兰(中国)体育官方网站
|
球友会网页版
|
MK在线登录官网
|
天行官方(中国)总部
|